


FPO-60-SV-O1-1/2-U-*
Product SKU: FLUIDPRESSQ167
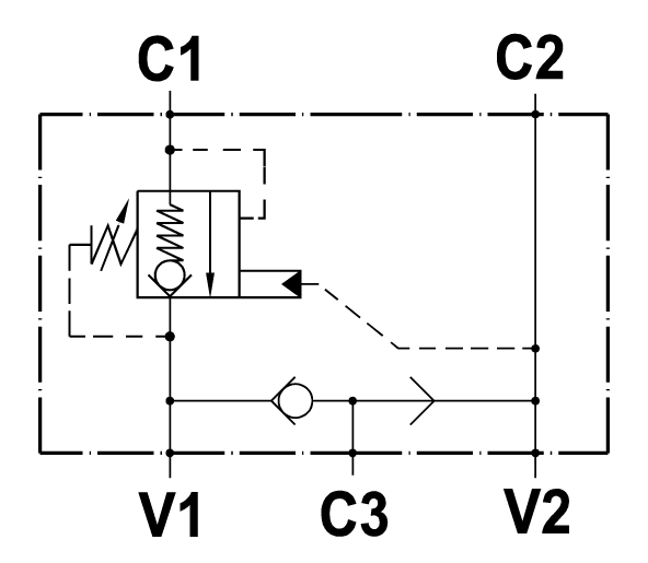
Single overcenter valve, flangeable on Oil-drive motors MGL/MGT series, brake release port
Rated Flow: up to 60 l/min
Max Setting: 350 bar
Max Pressure: 250 bar
Enquire Now