


FPOE-120-S-3/4-L-P-A-*-*
Product SKU: FLUIDPRESSO190
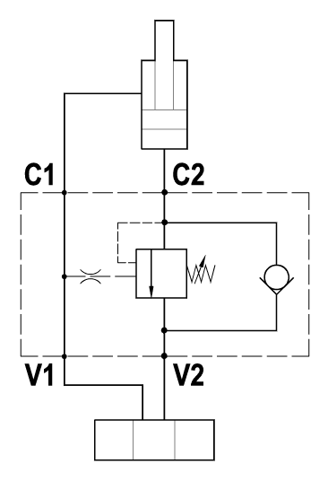
Single overcenter valve, line mounted, internal pilot, E series
Rated Flow: up to 120 l/min
Max Setting: 350 bar
Enquire Now