


FPO-50-S-3/8-1F-*-BP-*
Product SKU: FLUIDPRESSO212
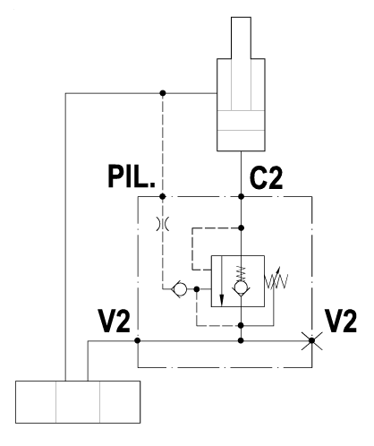
Single overcenter valve, gasket mounted, bleeding pilot
Rated Flow: up to 50 l/min
Max Setting: 350 bar
Enquire Now